8.4.1 概述
在第1章我們已經介紹了歷史上已有的各種牽引供電系統。其應用的區域已在圖1.1中作了說明。國際鐵路交通的原義是指電氣列車的運行不受任何個別牽引供電系統的限制。1930年在法國的莫丹修建了世界上第一條干線鐵路的過渡區段[8.2]。參考文獻[8.3]中指出,車輛運行的方式、運行的密度以及需要連接的相鄰牽引供電系統的制式對電氣設備的設計起著至關重要的作用。下面所述的設備既能夠安全地將相鄰的不同牽引供電系統的接觸網實現電氣分離,又能保證在兩個系統下都能有效地向牽引設備供電。
8.4.2 區間線路的系統分離區
區間線路的系統分離區需要配備相應的多流制牽引車輛(多系統牽引車輛) 。通過直流和交流系統之間的系統分離區時,通常需要更換受電弓,這是由于在同樣功率下直流系統需要更大的電流,也相應地需要特殊設計的受電弓,與交流供電線路相比,直流供電線路需要增加受電弓的質量和接觸壓力。例如,通過連續的列車控制,司機要進行必要的受電弓轉換操作,在圖8.6所示的馬德里—塞維利亞線路上的AC 25kV/DC 3kV的系統分離區內應降弓通過[8.4]。在輔助接觸懸掛的中性段上安裝有電壓互感器,如果由于疏忽,受電弓被升起,電壓互感器能觸發變電所的斷路器跳閘。如果該裝置失靈,受電弓一旦進入系統分離區的接地段將會造成短路,使得相鄰兩側變電所的線路保護裝置動作而導致斷路器跳閘。不同區段接觸網之間采用合成材料制成的分段絕緣器進行絕緣。分段絕緣器也用于緊急情況下受電弓以高達280km的時速通過。

圖8.6 馬德里-塞維利亞線路上的系統分離區

圖8.7 法國國鐵 (SNCF) 路網中的系統分離區
圖8.7顯示的是法國國鐵 (SNCF) 路網中AC 25kV和DC 1.5kV兩種供電系統之間的系統分離區。
該系統分離區由保護區段構成。 保護區段實際上是裝有分段絕緣器的接地接觸網。此外,在保護區段還設計了大功率的電子二極管、軌端絕緣節以及用來分離回流系統的扼流變壓器。
對于牽引供電系統非常類似而只是電壓不同的相鄰系統的分離,如DC 1.5kV到DC3kV或AC 15kV 16.7Hz到AC 25kV 50Hz,則既不用變換,也不用降下受電弓。而是象通過分相區段一樣,列車司機需要斷開車上的主斷路器。如果司機忘了關主斷路器,列車一旦進入接地的保護區段就會造成短路,線路保護裝置將動作,觸發變電所的饋線斷路器跳閘。這樣的系統分離區的設計尤其適用于高速鐵路,它允許多流制牽引車輛以線路允許的最高速度通過系統分離區。
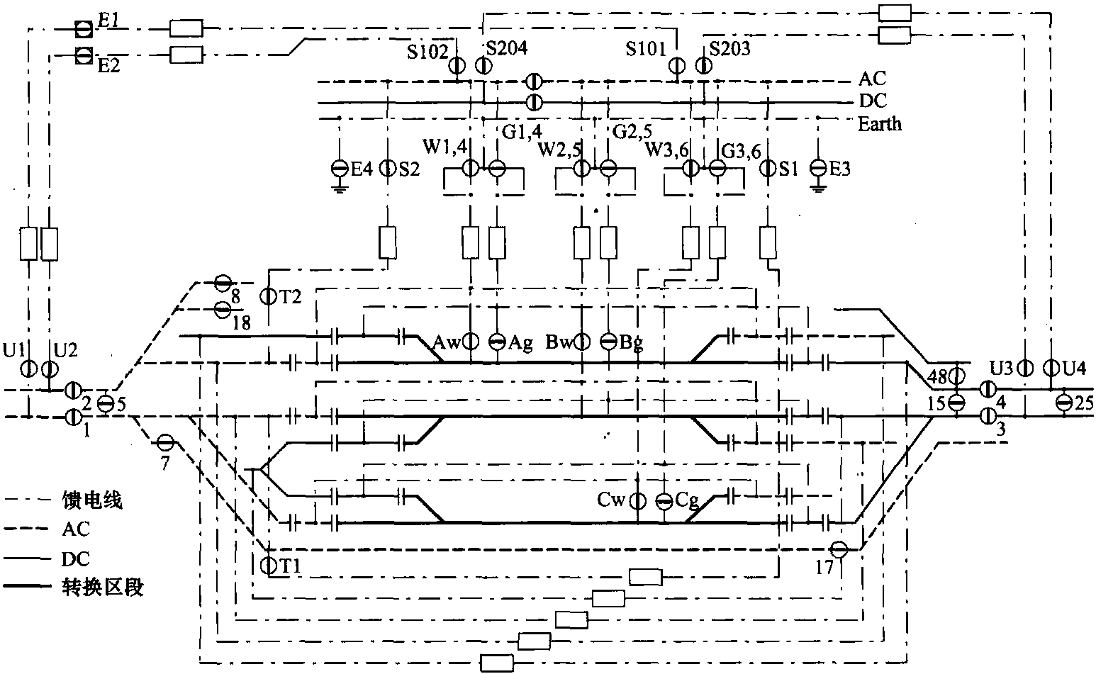
圖8.8 俄羅斯的系統轉換車站平面圖
8.4.3 供電系統轉換車站
多流制牽引車輛比單流制牽引車輛 (單系統牽引車輛) 的造價高。在系統區兩側的電氣化鐵道線路上或運輸繁忙的交通系統中,為保證列車的運行不受限制就需要大量的多流制牽引車輛。在這種情況下,采用同時配有雙流制牽引車輛 (適應相鄰兩種牽引供電系統) 和單流制牽引車輛的轉換車站會更為經濟。這種系統分離轉換車站能夠在同一條線路上讓進站的列車由一種供電系統供電的牽引車輛牽引,而出站的列車由相鄰的另一種供電系統供電的牽引車輛牽引,也能通過調車更換牽引車輛。由于在多數情況下,轉換車站的股道布局都是既有的,這就造成了轉換車站的牽引供電系統的設計和電路布置的多樣性。有的轉換車站建有橫向縱向分離的接觸網,而不需要切換接觸網 (如圖8.31); 也有的轉換車站的若干股道的接觸網可以由兩個供電系統供電。
如果接觸網僅適用于單一供電系統,則單流制牽引車輛需要降弓,靠慣性滑行通過系統分離區。并通過調車機車使其回到原系統。如果司機在通過系統分離區前沒有降下受電弓,經過接地區段時會導致短路,引起牽引變電所的斷路器跳閘。
裝備有可切換接觸網的裝置,所需切換的股道數量取決于股道的布局和運行需要。在軌道隔離區之上架設的分段絕緣器將接觸網分成獨立的供電分段,每個分段由專用的開關站供電。圖8.8和圖8.9所示為雙供電系統轉換車站的平面圖。
當鎖定列車線路時供電系統才能實現自動轉換。由于轉轍機、隔離開關和信號機的位置彼此相關,只有當兩者都由同一供電系統供電時,列車才能從一個供電分段進入到相鄰的供電分段[8.5]。

圖8.9 位于Emmerich(德國/荷蘭交界) 的系統轉換車站平面圖
接觸網的絕緣等級要與具有較高標稱電壓的系統相匹配,還需持續進行車站內支柱的雜散電流防護。
由兩種牽引供電系統供電的轉換車站可進行單流制牽引車輛和雙流制牽引車輛的混合運行。慢車可以使用單流制牽引車輛,通過調車實現牽引車輛轉換; 快車可以采用雙流制牽引車輛,從而節省調車更換牽引車輛的時間。
免責聲明:本網站所刊載信息,不代表本站觀點。所轉載內容之原創性、真實性、完整性、及時性本站不作任何保證或承諾,請讀者僅作參考并自行核實。










































